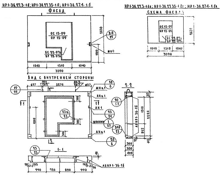
НР1-36.27.3-1б

Чертеж изделия:
Чертеж НР1-36.27.3-1б
Характеристики изделия:
ПараметрЗначение
Длина3590 мм
Ширина300 мм
Высота2650 мм
Масса2955 кг
Нормативный документСерия 1.132-1

НР1-36.27.3-1б   Наружная стеновая панель рядовая по Серии 1.132-1.