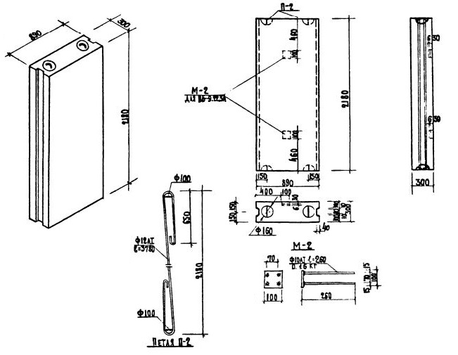
ВБ-9.22.3

Чертеж изделия:
Чертеж ВБ-9.22.3
Характеристики изделия:
ПараметрЗначение
Длина890 мм
Ширина300 мм
Высота2180 мм
Масса1020 кг
Нормативный документСерия 1.134-1

ВБ-9.22.3   Блоки внутренних стен вертикальные по Серии 1.134-1.